The Style 007 Fluid Heater uses the same element configuration as the Styles 001 and 003 but in a stainless steel pipe. This construction is suited to in-line applications where pipe threads are required at both inlet and outlet ends. Electrical terminations are offered in the form of low pressure lead wires, rated up to 20 psi, or in the form of high pressure feedthrus, rated up to 150 psi. These heaters can be used to heat substances other than air as long as the fluid is non-conductive and does not chemically react with 300 series stainless steel, silver solder, nickel, aluminum oxide or the epoxy potting material used on the leaded model. This product must be properly grounded and fused.
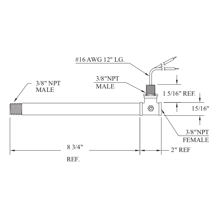
| Part # | PRT007-10134 |
|---|---|
| Country of Manufacture | United States |
| Overall Height | 1 5/6” |
| Termination Thread | 3/8” |
| Lead Wires | 12” |
| Female Pipe Thread | 3/8” |
| Pipe Length | 8 3/4” |
| Pipe Thread | 3/8” |
| Tee Length | 2” |
| Outside Diameter | 15/16” |














